Brisbane Fuel Injection Services
BFIS BF to FG Upgraded fuel pump wiring kit
BFIS BF to FG Upgraded fuel pump wiring kit
Couldn't load pickup availability
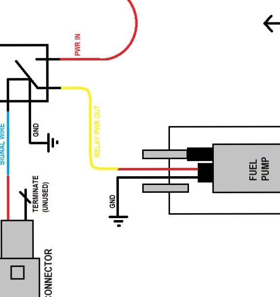
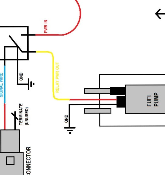
Our heavy duty wiring kit for BA-FGX models solves the problem of a large voltage drop to the fuel pump when fitting a larger fuel pump such as a walbro 460/525/540. The standard wiring is not adequate for the current draw of these larger pumps resulting in below 12v delivered to the pump under full power dyno runs. With our wiring kit we are seeing 13.5V resulting in a big improvement in fuel flow, approx 10-20% additional flow and power potential. A must if your upgrading your fuel pump
The kit comes with large high quality 8g cabling which is simply hooked up to the starter motor power cable, runs through a circuit breaker, to a 40 amp relay, to the stock fuel pump loom. The pink wire from the fuel pump plug is the only wire required to be cut and joined, with the factory loom side going to the trigger wire in the loom and the pump side going to the pump wire in the loom. You will need crimpers for this.
Share

